三英精控纳米台特点
平:得益于独特的硬件设计,有效地减少三维偶联影响,保证纳米台全行程的平整度。
平:得益于独特的硬件设计,有效地减少三维偶联影响,保证纳米台全行程的平整度。
准:电容传感器的应用及先进的控制模式和算法,保证纳米台的运动精度。
稳:优异的机械结构设计以及优良的电容传感器特性,保证了纳米台长时间的稳定性。
ns-xy25z20-01超紧凑型xyz三维纳米定位台
典型应用:
afm/spm/snow
光学探针
表面检测
半导体加工
高密度存储
技术参数:
|
型号
|
ns-xy25z20-01
|
|
运动轴
|
x/y/z
|
|
传感器类型
|
电容式
|
|
闭环行程( μm )
|
25/25/20
|
|
闭环分辨率( nm )
|
0.1/0.1/0.1
|
|
线性度( % )
|
0.05/0.05/0.05
|
|
无负载下谐振频率(hz)
|
1400/1400/1000
|
|
端口
|
d-sub15
|
|
材料
|
铝合金
|
|
最大负载( kg )
|
1
|
|
自重( kg )
|
0.3
|
|
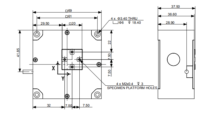
尺寸( mm )
|
69 x 69 x 37.5
|
注:闭环分辨率与带宽有关。
尺寸图:

如有客户需求,三英精控可以对纳米位移运动控制系统进行量身定制,以提供及时、满意的凯发k8官网首页登录的技术支持与服务。
