三英精控纳米台特点
平:得益于独特的硬件设计,有效地减少三维偶联影响,保证纳米台全行程的平整度。
平:得益于独特的硬件设计,有效地减少三维偶联影响,保证纳米台全行程的平整度。
准:电容传感器的应用及先进的控制模式和算法,保证纳米台的运动精度。
稳:优异的机械结构设计以及优良的电容传感器特性,保证了纳米台长时间的稳定性。
ns-xy200z100-01 重载xyz三维纳米定位台
典型应用:
显微成像
激光加工
光学测量
表面检测
半导体加工
技术参数:
|
型号
|
ns-xy200z100-01
|
|
运动轴
|
x/y/z
|
|
传感器类型
|
电容式
|
|
闭环行程
|
200/200/100μm
|
|
闭环分辨率
|
0.8/0.8/0.5nm
|
|
线性度
|
0.02/0.02/0.04%
|
|
无载谐振频率
|
450/450/500hz
|
|
连接器类型
|
d-sub15
|
|
位移台材料
|
铝合金
|
|
最大负载
|
5kg
|
|
体积
|
140 x 140 x 39.3mm
|
注:闭环分辨率与带宽有关。
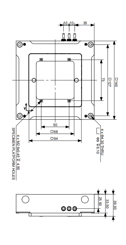
尺寸图:

如有客户需求,三英精控可以对纳米位移运动控制系统进行量身定制,以提供及时、满意的凯发k8官网首页登录的技术支持与服务。
