三英精控高速偏摆镜采用压电陶瓷驱动,内部使用无回差柔性铰链并联导向结构,采用有限方针分析优化柔性铰链结构,紧凑的差分并联结构柔性导向系统具有超高的导向精度,且具有高刚性、高负载、无磨损、免维护等特点。高速偏摆镜内置精密位移传感器进行全闭环的位置反馈,确保了高速偏摆镜具有极佳的运动控制精度,定位精度,分辨率和稳定性可以达到纳米量级,紧凑型设计,可以更好的集成于光学系统。
ns-rbx4y6-01二维高速偏摆镜
典型应用:
激光加工
激光瞄准
远距离通讯
光学对准
产品参数:
|
型号
|
ns-rbx4y6-01
|
|
运动轴
|
θxθy(tip/tilt)
|
|
传感器类型
|
电容式
|
|
闭环行程( mrad )
|
θx:4 θy:6
|
|
闭环分辨率( μrad )
|
0.08
|
|
线性度( % )
|
0.2
|
|
无负载下谐振频率( hz )
|
1000
|
|
带负载谐振频率( hz )( 200g )
|
500
|
|
端口
|
d-sub15
|
|
材料
|
铟钢(航空铝可选)
|
|
最大负载
|
φ127×15mm mirror ( 500g )
|
|
自重( kg )
|
2.3
|
|
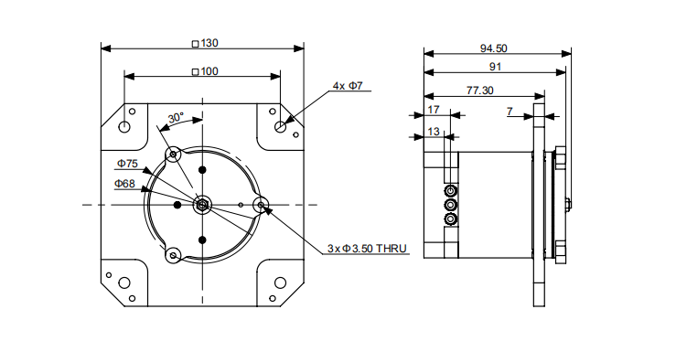
尺寸( mm )
|
130 × 130× 94.5
|
注:闭环分辨率与带宽有关。
尺寸图:

