三英精控纳米台特点
平:得益于独特的硬件设计,有效地减少三维偶联影响,保证纳米台全行程的平整度。
平:得益于独特的硬件设计,有效地减少三维偶联影响,保证纳米台全行程的平整度。
准:电容传感器的应用及先进的控制模式和算法,保证纳米台的运动精度。
稳:优异的机械结构设计以及优良的电容传感器特性,保证了纳米台长时间的稳定性。
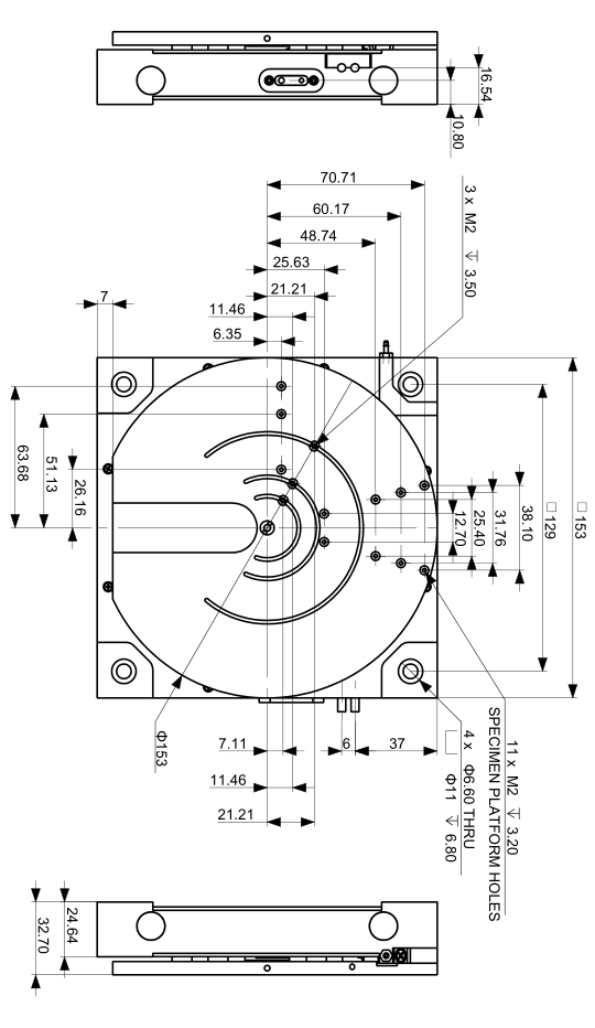
ns-xy100-02真空吸盘xy二维纳米定位台
典型应用:
表面检测
显微成像
激光技术
半导体加工与测试
高密度光存储与磁存储
技术参数:
|
型号
|
ns-xy100-02
|
|
运动轴
|
x/y
|
|
传感器类型
|
电容式
|
|
闭环行程
|
100/100μm
|
|
闭环分辨率
|
0.5/0.5nm
|
|
线性度
|
0.02/0.02%
|
|
无载谐振频率
|
400/400hz
|
|
端口
|
d-sub15
|
|
材料
|
铝合金
|
|
最大负载
|
1kg
|
|
尺寸
|
153 x 153 x 32.7mm
|
注:闭环分辨率与带宽有关。
尺寸图:

如有客户需求,三英精控可以对纳米位移运动控制系统进行量身定制,以提供及时、满意的凯发k8官网首页登录的技术支持与服务。
